Norrlands CustomArtikelnummer: : NCU900722009
Fjäderhänke
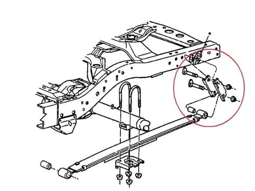
FJÄDERHÄNKE KPL. M.BUSS&BULTAR P/sida
Inkl. moms1 294,00 kr
Exkl. moms1 035,20 kr
I lager



Mer information
EXPLORER 91--05
Mer information
EXPLORER 91--05
FJÄDERHÄNKE KPL. M.BUSS&BULTAR P/sida



EXPLORER 91--05
EXPLORER 91--05